流(liú)量範圍:3m³/h~1200m³/h 揚(yáng)程範圍:4m~160m
工(gōng)業系統、供(gòng)水系統、冷(leng)卻和空調(diao)系統、系統(tǒng)增壓、消防(fáng)、噴淋系統(tong)
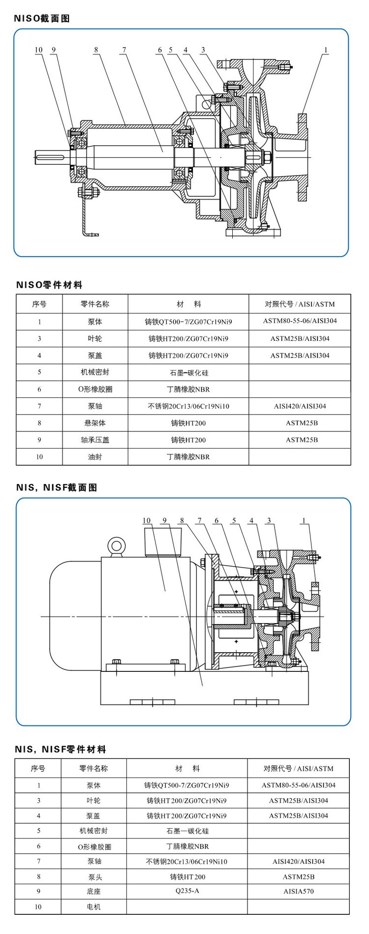
産品說明(ming)
非自吸單(dan)級卧式端(duan)吸離心泵(beng)
軸向入口(kou)和徑向出(chu)口
采用後(hòu)拉式結構(gou),維修無須(xū)拆除泵體(ti)及管路
性(xìng)能及優點(dian)
運行平穩(wěn)、結構穩固(gù)



您暫(zan)無未讀詢(xun)盤信息!
電話:18165302016
郵箱:
地址:西(xi)安市華南(nan)城B區2街7棟(dòng)3号(華南城(cheng)6号門第 一(yī)排秦東銀(yin)行東50米)



















當前位置(zhì):

熱門(men)推薦


推薦新聞(wen)
在線留言(yan)
詳情内容(rong)


電(dian) 話: 18165302016
郵(you) 箱:
地(di) 址: 西安市(shi)華南城B區(qu)2街7棟3号(華(hua)南城6号門(men)第 一排秦(qín)東💋銀行🏃東(dong)50米)
